
Verzinktes Sicherungsblech mit 2 Lappen zur Sicherung von Schrauben und Muttern.
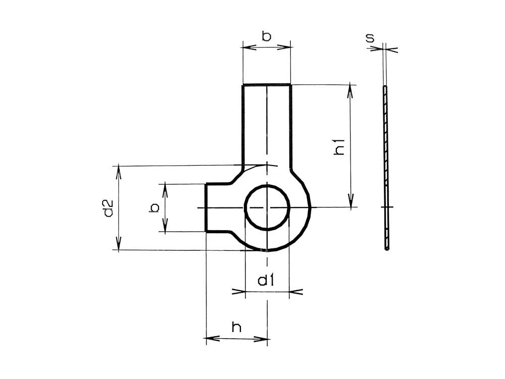
Entnehme die folgenden Masse auf Abbildung 2:
| Ø innen | 6.4 mm |
| Ø aussen | 12.5 mm |
| Dicke | 0.5 mm |
| Material | Stahl |
| Oberfläche | verzinkt (blau) |
| Breite | 7 mm |
| Anzahl Lappen | 2 Stk. |
| Gesamtlänge | 9 mm |
| Länge 2 | 18 mm |
| Breite 2 | 7 mm |
| Gewindegrösse | M6 |
Entdecke Kategorien aus Schrauben & Verbindungselemente Sets
Mofa-Fans kauften auch
GPO 15 mm Vergaser Tuning | Puch
Nenndurchmesser: 15 mm · Gesamtlänge: 66 mm · Breite: 50 mm · Hersteller: GPO · Material: Aluminium · Bauteilgruppe Vergaser: Vergaser komplett · Vergasertyp: SRE · Ø Anschluss innen: 20 mm · Ø Eingang innen: 15 mm · Ø Ausgang innen: 15 mm · Höhe: 95 mm · Ø Anschluss Luftfilter: 20 mm · Befestigungsart: Steckverbindung geklemmt · Ø Benzinschlauchanschluss: 6 mm · Mischölanschluss: Nein · Unterdruckanschluss: Nein · Chokebetätigung: Handchoke · Düsengewinde: M3.5x0.6 (Standardgewinde) · Düsenstock: 2.17 · Getarnt: Nein · Düsengrösse: 62 · Anwendungsbereich: Tuning · Drehmoment Klemmschraube (max.): 4 Nm
EUR 76,40
swiing® ingenious Kupplungsfedern verstärkt (+20%) | Puch E50
Federbauart: Druckfeder · Ø Draht: 1.7 mm · Ø innen: 4.8 mm · Ø aussen: 8.3 mm · Hersteller: swiing® ingenious parts · Gesamtlänge: 28 mm · Anwendungsbereich: Tuning · Material: Federstahl · Oberfläche: beschichtet · Anzahl Bestandteile: 3 Stk. · Farbe: blau
EUR 21,10



