
Verzinktes Sicherungsblech mit 2 Lappen zur Sicherung von Schrauben und Muttern.
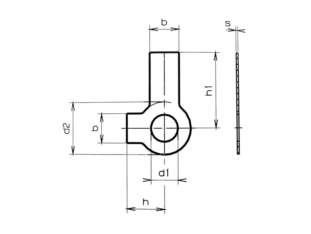
Entnehme die folgenden Masse auf Abbildung 2:
| Material | Stahl |
| Oberfläche | verzinkt (blau) |
| Breite | 8 mm |
| Dicke | 0.75 mm |
| Ø aussen | 17 mm |
| Anzahl Lappen | 2 Stk. |
| Ø innen | 8.4 mm |
| Gesamtlänge | 11 mm |
| Gewindegrösse | M8 |
| Länge 2 | 20 mm |
| Breite 2 | 8 mm |
Entdecke Kategorien aus Schrauben & Verbindungselemente Sets
Mofa-Fans kauften auch
BERU Zündkerzenstecker / 1 kΩ entstört
Ø Kabel: 5 mm · Ø Kabel: 7 mm · Hersteller: BERU · Material: Blech (Stahl) · Farbe: silber · Kerzensteckeraufnahme: M4 · Kabel vorhanden: Nein · Entstört: Ja · Widerstand: 1000 Ω · Subkategorie: Zündkerzenstecker · Pony OEM-Nr.: A2099 · Sachs OEM-Nr.: 0265 100 00
EUR 10,10
EUR 9,05
GPO Ritzel 9 - 21 Zähne breit | Puch
Kettentyp: 415H · Hersteller: GPO · Material: Stahl · Oberfläche: gehärtet · Anzahl Zähne: 9 Stk. · Anzahl Zähne: 10 Stk. · Anzahl Zähne: 11 Stk. · Anzahl Zähne: 12 Stk. · Anzahl Zähne: 13 Stk. · Anzahl Zähne: 14 Stk. · Anzahl Zähne: 15 Stk. · Anzahl Zähne: 16 Stk. · Anzahl Zähne: 17 Stk. · Anzahl Zähne: 18 Stk. · Anzahl Zähne: 19 Stk. · Anzahl Zähne: 20 Stk. · Anzahl Zähne: 21 Stk. · Aufnahmeart: Verzahnung · Kettenteilung: 1/2" x 3/16" · Gesamtdicke: 4.6 mm
EUR 9,05
Ripp-Lock Scheibe M10 10.2/22/1.6 verzinkt
Material: Stahl · Oberfläche: verzinkt (blau) · Gewindegrösse: M10 · Nenndurchmesser (Gewinde): 10 mm · Dicke: 1.6 mm · Ø innen: 10.2 mm · Ø aussen: 22 mm · Alternative Ausf. der Pony OEM-Nr.: A1640 · Alternative Ausf. der Pony OEM-Nr.: A4517 · Alternative Ausf. der Sachs OEM-Nr.: 0245 022 000 · Alternative Ausf. der Sachs OEM-Nr.: 0946 002 000
EUR 1,25


