
Verzinktes Sicherungsblech mit 1 Lappen zur Sicherung von Schrauben und Muttern.
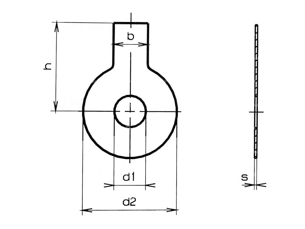
Entnehme die folgenden Masse auf Abbildung 2:
| Material | Stahl |
| Oberfläche | verzinkt (blau) |
| Ø innen | 13 mm |
| Ø aussen | 30 mm |
| Anzahl Lappen | 1 Stk. |
| Gesamtlänge | 28 mm |
| Breite | 12 mm |
| Dicke | 1 mm |
| Gewindegrösse | M12 |
Entdecke Kategorien aus Schrauben & Verbindungselemente Sets
Mofa-Fans kauften auch
Fortune / Merrick 2.00-2.25 x 16" / 17" Schlauch
Hersteller: Fortune · Reifenbreite: 2 - 2.5 " · Reifenbreite: 2.25 - 2.5 " · Reifenbreite: 2.5 " · Reifenbreite [mm]: 50.8 - 63.5 · Breite: 2 " · Breite: 2 1/4 " · Breite: 2 1/2 " · Reifenhöhe [%]: 100 · Radgrösse: 16 - 17 " · Radgrösse: 17 " · Alte Bezeichnung: 20 x 2 " · Alte Bezeichnung: 20 x 2.25 " · Alte Bezeichnung: 20 x 2.5 " · Alte Bezeichnung: 21 x 2 " · Alte Bezeichnung: 21 x 2.25 " · Alte Bezeichnung: 21 x 2.5 " · Ventiltyp: TR4 Auto-Ventil
EUR 12,40
Mutter M12x1 x 10 SW19 Radmutter verzinkt
Material: Stahl · Oberfläche: verzinkt (blau) · Festigkeitsklasse: 8 · Mutternart: Sechskantmutter · Höhe: 10 mm · Antrieb: Aussensechskant · Gewindetiefe: 10 mm · Gewindeart: MF12x1 (Feingewinde) · Schlüsselweite: 19 mm · Anwendungsbereich: Standard
EUR 2,35
Nummernschildhalter (mit Rahmen) Inox (CH-Version)
Material: Chromstahl (umgangssprachlich bekannt als Nirosta) · Hersteller: Made in Switzerland · Gesamtlänge: 143 mm · Breite: 103 mm · Höhe: 7 mm · Farbe: silber · Befestigungsart: Schrauben & Muttern · Anzahl Befestigungspunkte: 3 Stk. · Ø Befestigungsloch: 5 mm
EUR 15,90




